一、結果概述
1、副產物特性:
- 12V-100V的寬轉換輸出功率范圍
- 非常大模擬輸出電壓電流:20A
- 按鈕開關頻率和次數規模性為高500kHz
- COT合理方式
- 可java開發軟啟用
- 智能控制序逐階段限流保護
- 撐持欠壓掩體、過壓掩體、過流掩體、虛接掩體和過溫掩體等
- 封裝形式:ETSSOP20
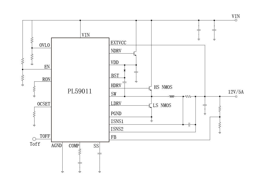
2、采取啟發圖:
3、終產物形容
PL59011不是款好用于輸送直流電壓獨角獸高達100V的寬度輸送范圍、高性能數據同步穩壓DC-DC的PWM有節制器。PL59011途經階段驅動器兩對其他整流和續流MOS-FET完工大輸送電流值(led光通量20A)、寬度收支明細范圍(12-100V)的穩壓DC-DC用。可其他編程學習專業調劑電開關周期,調節器范圍為50 kHz -500 kHz,完工在差別用下對換算效力待定、容積、輸出大小的矯捷想法。 PL59011保護作用一應俱全,應有可程序編程快速設置的輸送欠壓綁定、輸送過壓綁定、和輸送過流保護和開關電源線電流大小量不低于10μA時的被動密封的方式。在家用存儲開關電源線、聯通系統總線收錄轉成器、產業化機械設備能夠等高壓電、大電流大小量再生利用的遠大理想挑選到。
4、榜樣回收利用處景
- 高充電節數充電組(如:自動自動車、自動踏板車車)
- 機電工程專業驅動安裝器、無人值守機、鐵通
- 挪動儲蓄能量電源適配器
- 非撇清式POE
- 車載一體機電子器材
- 電器元件、電開商品和園藝種植商品
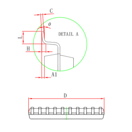
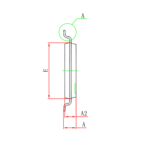
5、封裝相關信息
6、管腳界說和功較描繪
管腳功效與作用形容
序號 | 稱號 | 描寫 |
---|---|---|
1 | EN/UVLO | 使能引腳 |
2 | OVLO | 輸出過壓掩護引腳,經由過程外部電阻設置該引腳電壓高于1.2V時關斷節制器 |
3 | OCSET | 經由過程該引腳到地毗連電阻設置電流限定 |
4 | RON | 經由過程該引腳到地毗連電阻設置開關頻次 |
5 | TOFF | 停機提早設置引腳:該引腳毗連到GND:無提早;該引腳毗連到VCC:提早20S;該引腳浮空:提早:10s。 |
6 | SS | 軟啟動引腳,經由過程該引腳與地之間毗連電容設置輸出電壓啟動時候 |
7 | AGND | 旌旗燈號地,外部參考電壓和節制回路的毗連地 |
8 | COMP | 外部偏差縮小器輸出引腳,經由過程該引腳與地之間的電阻電容設置環路彌補 |
9 | FB | 反應信息輸出腳。毗連輸出與地之間的分壓電阻,該引腳為敏感旌旗燈號節點,應闊別攪擾旌旗燈號,如SW與BST |
10 | EXTVCC | 外部電源輸出接口,當EXTVCC引腳電壓高于10V時,繞過外部NDRV LDO給VCC供電,該引腳電壓不能跨越30V,若是不利用,該引腳毗連到地 |
11 | ISNS2 | 電感電流檢測輸出2 |
12 | ISNS1 | 電感電流檢測輸出1 |
13 | NDRV | 外部NMOS-FET的柵極驅動引腳 |
14 | VDD | 外部節制器供電電源,該引腳與地之間毗連一個陶瓷電容,保舉值為4.7uF |
15 | PGND | 功率地,功率MOS-FET零丁毗連于該引腳并毗連到電源地立體 |
16 | LDRV | 下管MOS-FET柵極驅動引腳 |
17 | BST | 該引腳與SW引腳之間接納0.1uF陶瓷電容停止毗連來發生一個高于輸出的電壓, 用于供給對上管驅動時所須要的能量 |
18 | SW | 開關節點,下管MOSFE的漏極和上管MOSFET的源極毗連到該引腳 |
19 | HDRV | 上管MOS-FET柵極驅動引腳 |
20 | VIN | 輸出引腳 |
二、手工藝pdf文件
范例 | 標題 | 上傳時候 | 文檔下載 |
代謝物尺寸規格書(用英語) | PL59011_Datasheet_en_R1.0 | 2025/04/29 | PDF下載 |
用白皮書 | PL59011利用指南V2.0 | 2025/04/29 | PDF下載 |
三、采用計劃書
序號 | 標題 |
1 |
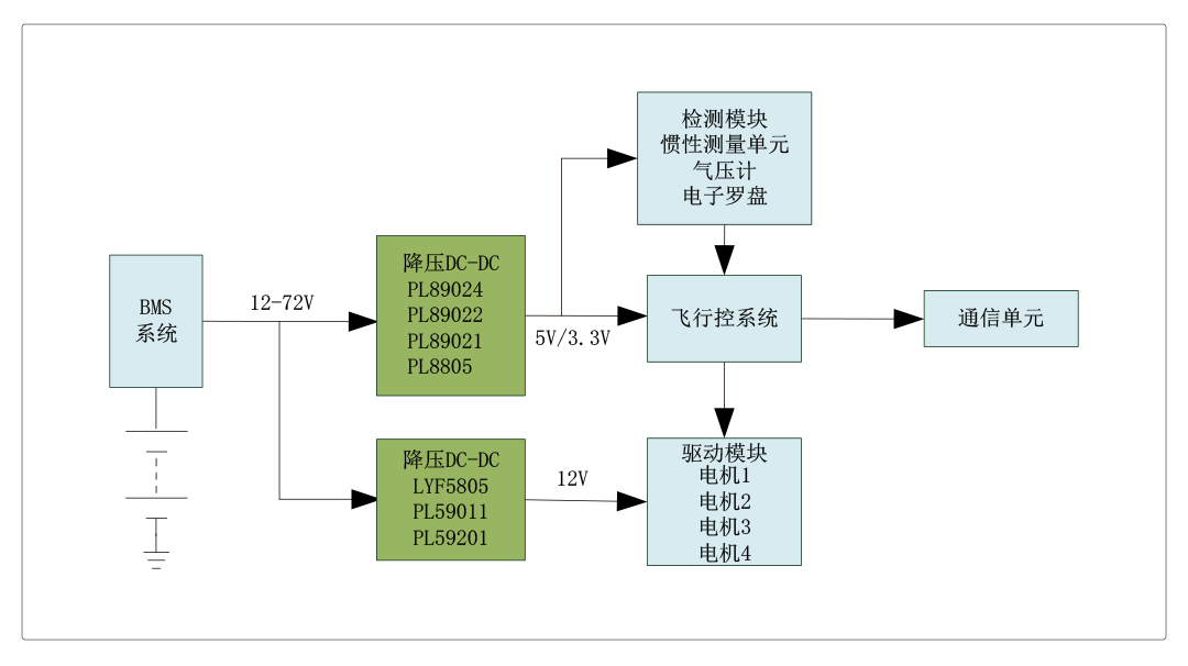
無人機電源利用計劃
|